语言
产品详情请点击资料下载→下载图纸
HY2.0带扣系列
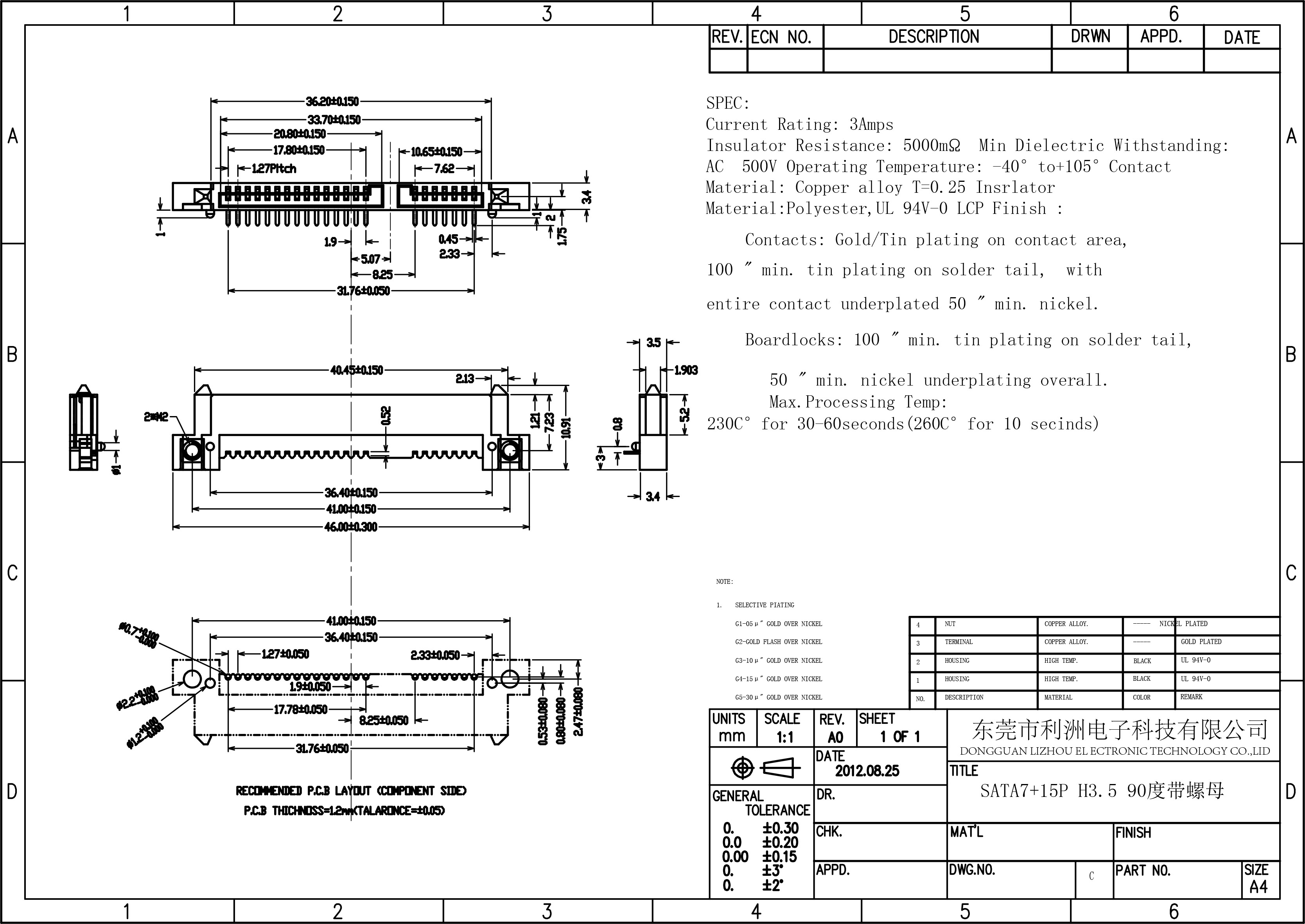
技术参数:
Current Rating: 3 Amps
Insulation resistance: 5000MΩ Min Dielectric Withstanding AC 500V
Operating Temperature: -40°C~+105°C Contact
Material: Copper Alloy T=0.25 Insrlator
Contacts: Gold/Tin plating on contact area
如果您对我们有任何意见,建议或需求,请与我们联系.
含有*的内容为必填项,其他可选项。
PH2.0mm间距系列
PA2.0mm间距系列