语言
产品详情请点击资料下载→下载图纸
HY2.0带扣系列
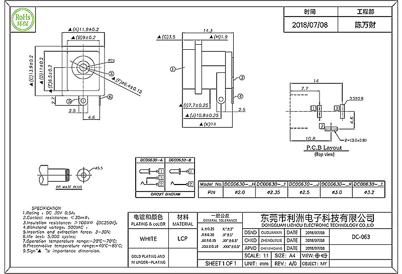
技术参数:
Current Rating: DC 30V 0.5A
Contact resistance: ≤50mΩ
Insulation resistance: ≥100MΩ(DC 250V)
Withstand voltage: 500V AC
Operation temperature range: -20°C~+70°C
Presevelive Temperature Renge: -40°C~+85°C
Insertion and extraction force: 3-30N
如果您对我们有任何意见,建议或需求,请与我们联系.
含有*的内容为必填项,其他可选项。
PH2.0mm间距系列
PA2.0mm间距系列