语言
产品详情请点击资料下载→下载图纸
HY2.0带扣系列
技术参数:
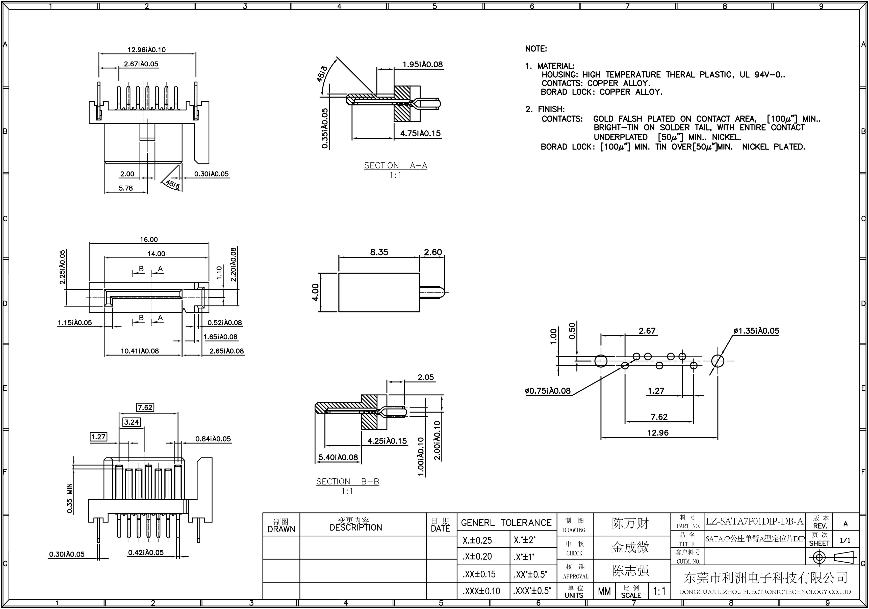
Housing: HIGH TEMPERATURE THERAL PLASTIC UL 94V-0
Contacts: Copper alloy
Borad Lock: Copper alloy
Finish Contacts: GOLD FALSH PLATED ON CONTACT AREA[100u"]min BRIGHT-TIN ON SOLD [50u"]min NICKEL
Finish Borad Lock: [100u"]min tin over [50u"]min nickel plated
如果您对我们有任何意见,建议或需求,请与我们联系.
含有*的内容为必填项,其他可选项。
PH2.0mm间距系列
PA2.0mm间距系列