语言
产品详情请点击资料下载→下载图纸
HY2.0带扣系列
技术参数:
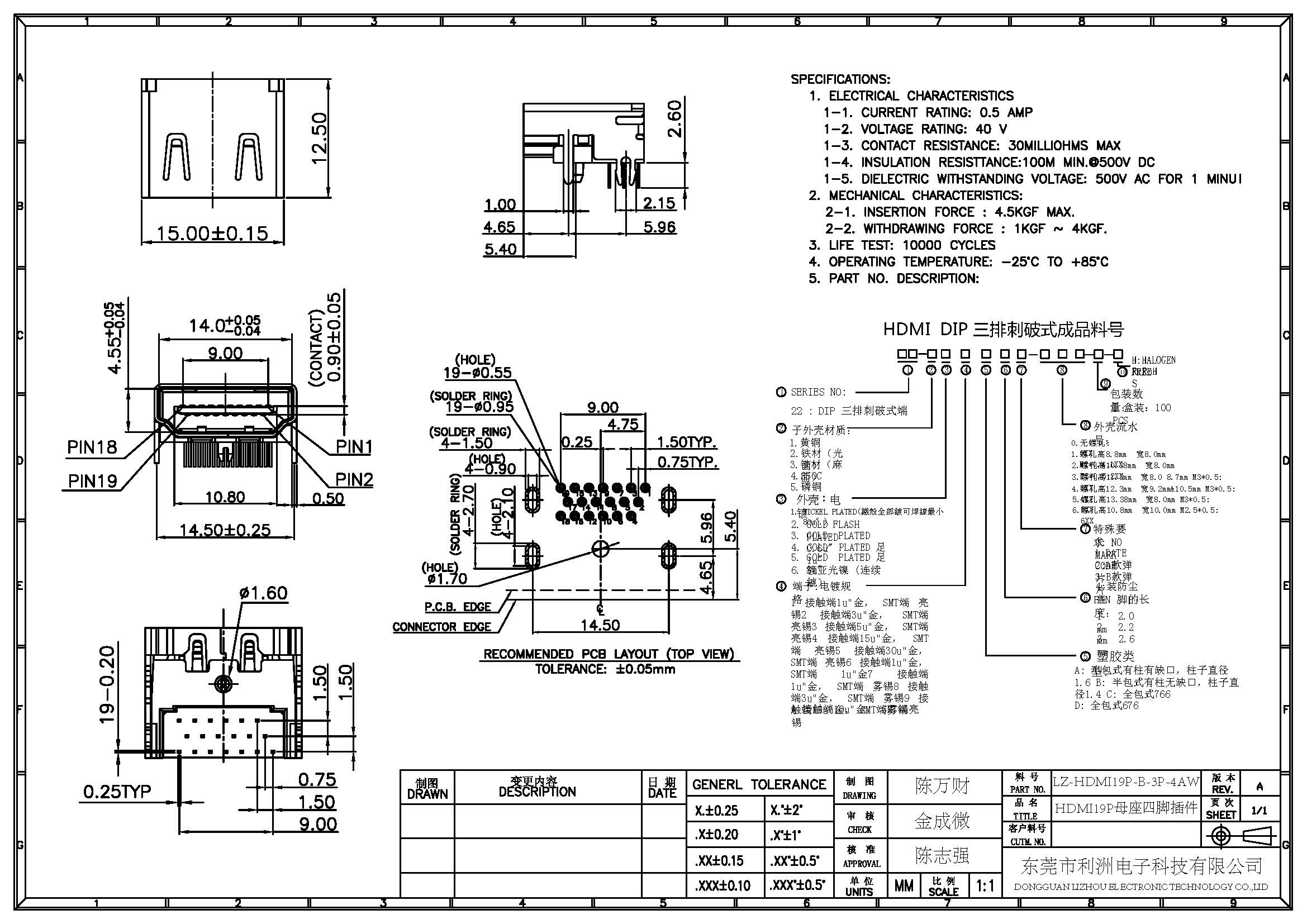
Current rating: 0.5 AMP
Voltage rating: 40V
Contact resistance: 30milli ohms MAX
Insulation Resistance: 100M MIN.®500V DC
Dielectric Withstanding Voltage: 500V AC FOR 1minui
Life test: 10000 cycles
Operating temperature: -25℃ TO +85℃
如果您对我们有任何意见,建议或需求,请与我们联系.
含有*的内容为必填项,其他可选项。
PH2.0mm间距系列
PA2.0mm间距系列