语言
产品详情请点击资料下载→下载图纸
HY2.0带扣系列
技术参数:
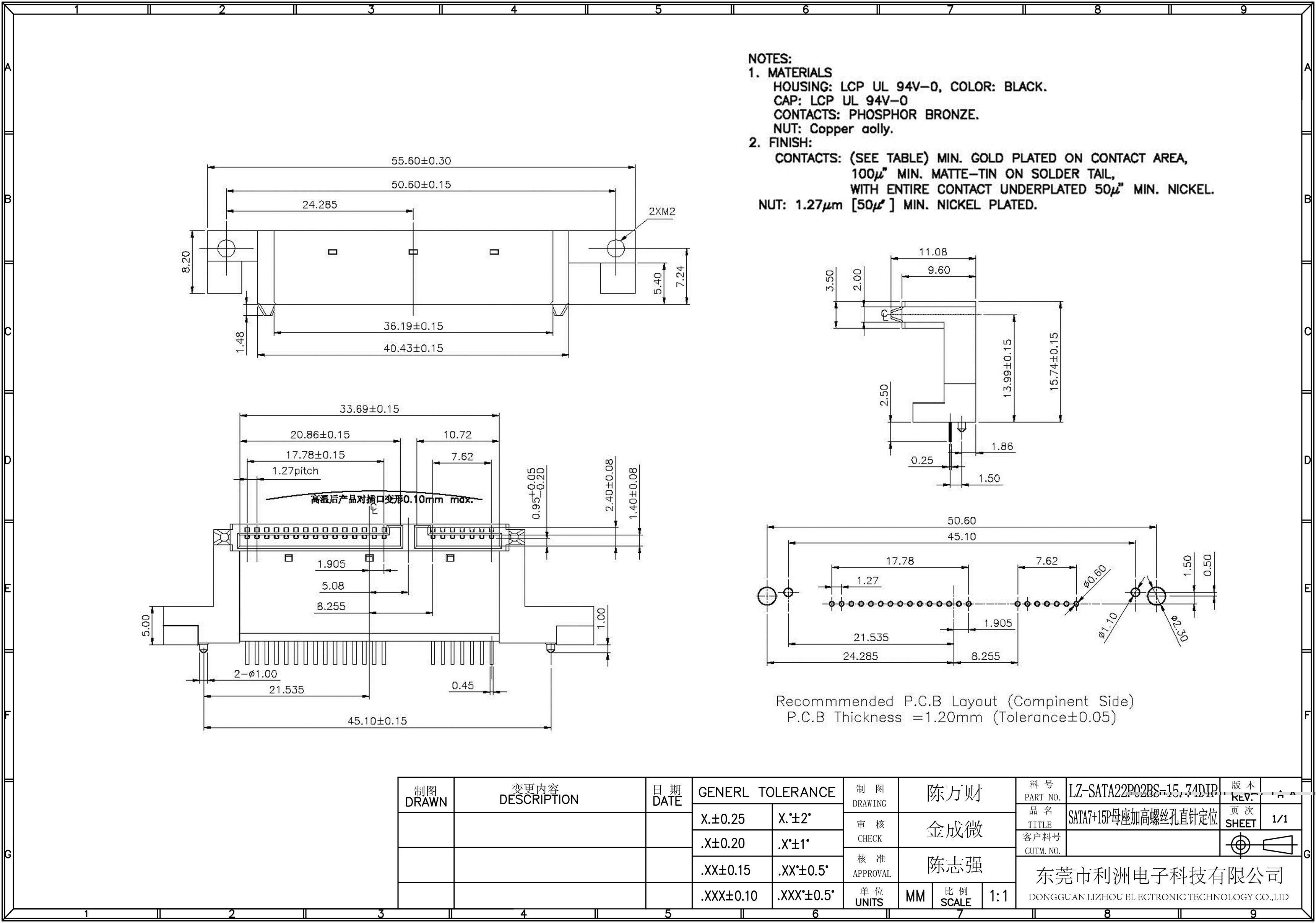
Housing: LCP UL94V-0 COLOR BLACK
Cap: LCP UL 94V-0
Contacts: Bronze
Nut: Copper aolly
Finish Contacts: (See table)min gold plated on contact area, 100u"min matte-tin on solder tail
Finish Nut: 1.27um[50u"]min nickel plated
如果您对我们有任何意见,建议或需求,请与我们联系.
含有*的内容为必填项,其他可选项。
PH2.0mm间距系列
PA2.0mm间距系列